指示灯按钮
◆
按钮选择开关(T2系列)
>按钮选择开关(TN2系列)>>>
◆
按钮按钮开关(日式系列)
◆
按钮按钮开关(¢16系列)
>结构及尺寸说明
·
按钮开关
·
直接式照光按钮开关
·
照光式按钮开关
·
选择开关钥匙开关
·
直接式照光选择开关
·
照光式选择开关
·
直接式指示灯
·
指示灯
·
十字开关
·
22mm开关盒
·
22mm开关盒附开关
·
标示贴纸
·
标示铭牌
上一页
下一页
跳转到
1
2
3
4
页
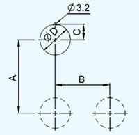
装配孔径与距离
Ø22/Ø25/Ø30系列
尺寸说明:所有尺寸均为mm
系列
Ø22
Ø25
Ø30
A
二点式按钮及十字开关以外所有机种
50min
二点式按钮
60min
十字开关
90min
B
指示灯.按钮.选择
31
31
35
附铭板
41min
大头.连锁.长柄选择.二点式按钮
39min
十字开关
90min
C
所有机种
11.2
12.7
15.2
D
所有机种
22.4
25.4
30.4
上部之装配
1
2
3
4
5
6
上座
橡胶圈
面板
止动环
固定圈
固定器
上座与橡胶圈置于盘面,插入孔径,止动环置于盘内对准上座与固定盘面之沟槽迫紧,再将固定圈锁紧即可。
文字与符号之标示
透明印刷纸片(种类见PG20)
灯泡替换方法
将固定座拆下更换
Ø22mm/Ø25mm系列尺寸与构造完全相同,由一共用之固定圈固定之。
Ø30系列装配方法
上一页
下一页
跳转到
1
2
3
4
页
地 址:
浙江省萧山通惠北路新世纪园区(311215)
电话总机:
0571-22825295 22825296
传 真:
0571-22825103
电子信箱:
sales@rcen.cn