中间继电器

信号功率继电器
>中间继电器(TRM系列)

固态继电器
限时继电器
继电器附件系列
 
 
■外形尺寸
TRM2/TRNM2 TRM4/TRNM4
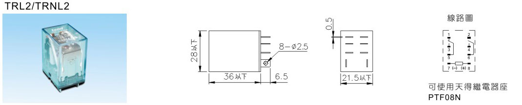
TRL2/TRNL2 TRL4/TRNL4
■中间继电器特性
●UI安全认证. ●线圈电压有AC和DC.
●额定电压DC900mW&AC1.2VA. ●可选购附LED指示灯.
●操作电压DC510mW. ●线圈耗电量功率低,反应时间快.
■接点规格
形式 TRM2/TRNM2 TRM4/TRNM4 TRL2/TRL4
TRNL2/TRNL4
额定电流 7A 250VAC 5A 250VAC 10A 250VAC
7A 30VDC 5A 30VDC 10A 30VDC
■线圈特性
线圈形式 电压(V) 电阻(Ω)
(±10%Pa)
启动电压
(V)≤
停止电压
(V)≥
DC 6 40 4.5 0.6
12 160 9 1.2
24 650 18 2.4
48 2600 36 4.8
100 11000 75 10
AC 12 46 9 3.6
24 180 18 7.2
110 3750 82.5 33
120 4430 90 36
220 12590 165 66
240 18790 180 72
270 24150 202.5 81
■中间继电器型号说明
      
项次 代号 说明
1.形式 TRM 窄型端子
TRNM 窄型端子附LED灯
TRL 宽型端子
TRNL 宽型端子附LED灯
2.接点 2 2A2B
4 4A4B
3.线圈电压 6D 6VDC
12D 12VDC
24D 24VDC
48D 48VDC
100D 100VDC
12A 12VAC
24A 24VAC
110A 110VAC
120A 120VAC
220A 220VAC
240A 240VAC
270A 270VAC
 

地  址:
浙江省萧山通惠北路新世纪园区(311215)
电话总机:
0571-22825295 22825296
传  真: 0571-22825103
电子信箱:
sales@rcen.cn